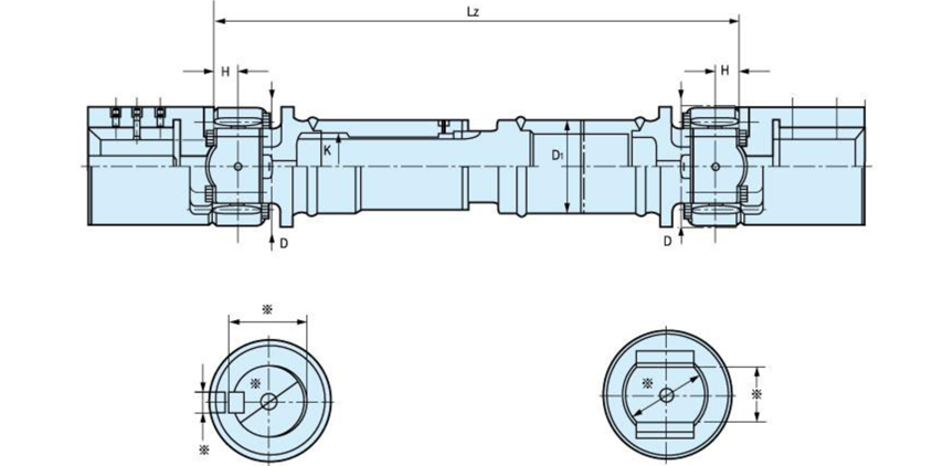
UNIVERSAL JOINT

| SIZE | Swing Dia D (mm) |
Max.Dynamic Torque Capacity (ton-m) |
Operating angle (Max.) |
Dimensions (mm) | Stroke (mm) |
|||
|---|---|---|---|---|---|---|---|---|
| L1 (min) | D1 | H | K Spline Dia. | |||||
| 160HD | 160 | 1.5 | 10˚ | 670 | 130 | 30 | 88.9 | +75 |
| 190HD | 190 | 2.5 | 10˚ | 740 | 152.4 | 38 | 101.6 | +80 |
| 220HD | 220 | 4.0 | 10˚ | 865 | 177.8 | 45 | 127 | +100 |
| 260HD | 260 | 7.0 | 10˚ | 960 | 203.1 | 52 | 139.7 | +115 |
| 300HD | 300 | 10 | 10˚ | 1,145 | 260 | 60 | 177.8 | +120 |
| 350HD | 350 | 17 | 10˚ | 1,255 | 298.5 | 70 | 203.1 | +140 |
| 400HD | 400 | 26 | 8˚ | 1,405 | 323.9 | 80 | 225 | +145 |
| 425HD | 425 | 32 | 8˚ | 1,445 | 323.9 | 86 | 225 | +145 |
| 450HD | 450 | 38 | 8˚ | 1,580 | 360 | 92 | 250 | +185 |
| 500HD | 500 | 53 | 8˚ | 1,735 | 393.4 | 107 | 275 | +200 |
| 550HD | 550 | 72 | 6˚ | 1,865 | 431.8 | 116 | 300 | +210 |
| 600HD | 600 | 95 | 6˚ | 1,990 | 469.9 | 125 | 325 | +220 |
| 650HD | 650 | 120 | 6˚ | 2,055 | 508 | 136 | 350 | +235 |
| 700HD | 700 | 150 | 6˚ | 2,160 | 540 | 146 | 375 | +255 |
| 750HD | 750 | 190 | 6˚ | 2,345 | 580 | 155 | 400 | +265 |
| 800HD | 800 | 230 | 6˚ | 2,500 | 615 | 170 | 425 | +290 |
| 850HD | 850 | 280 | 7˚ | 2,600 | 650 | 178 | 450 | +295 |
| 900HD | 900 | 330 | 7˚ | 2,725 | 690 | 190 | 475 | +320 |
| 950HD | 950 | 400 | 7˚ | 2,810 | 730 | 196 | 500 | +320 |
| 1000HD | 1000 | 470 | 7˚ | 2,965 | 765 | 211 | 525 | +330 |